东莞市平尚电子科技有限公司
Y电容对绝缘监测装置的影响

发布时间:2024-05-24

​Y电容对绝缘监测装置的影响

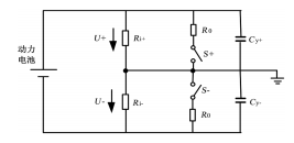
      绝缘监测装置是整车电气安全体系中的重要一环,它能实时追踪高压系统的绝缘状况,并在出现单点绝缘失效时及时发出警示,从而确保驾乘安全。然而,在绝缘电阻的测量过程中,无论是采用电压比较法还是低频注入法,都不可避免地会受到Y电容的影响。




      对于低频注入法而言,它通过在高压系统与电平台之间注入低频信号来推算绝缘电阻。但由于Y电容的并联作用,实际检测到的绝缘电阻值往往低于高压系统的真实值。特别是在Y电容充放电过程中,其阻抗较小,会导致测量值显著偏低。只有当Y电容充电完成后,其阻抗增大,此时测量值才更接近真实值。

      ​同样,电压比较法也面临着Y电容带来的挑战。它通过比较开关状态变化前后正/负极对电平台电压的差值来推算绝缘电阻。然而,由于Y电容的存在,开关切换时的电压变化被减缓,导致在电压稳定前Y电容处于充放电状态。此时,Y电容的低阻抗特性同样会导致绝缘电阻测量值的大幅下降。




      ​因此,为了减小Y电容对绝缘电阻测量值的影响,可以考虑优化Y电容的容值选择,或调整测量时机,避开Y电容充放电过程中的测量,从而提高绝缘监测的准确性和可靠性。

上一篇:塑封型Y电容的材料占比 下一篇:Y电容对绝缘监测装置的影响
东莞市平尚电子科技有限公司 版权所有
技术支持:东莞网站建设